Resumo
En este mundo moderno regido por computadoras parece que lo que más tiene valor es la información. El dinero por ejemplo no es más que números en una computadora. Pero sí la información es tan importante mucho más lo es el tener un acceso restringido a la misma. Es de esta necesidad de donde nace la criptografía, ciencia o técnica que se encarga de buscar formas de ocultar la información almacenada o que viaja por las redes públicas a personas no autorizadas.
En un principio la criptografía se desarrolló totalmente en software, pero con la necesidad de hacer las comunicaciones cada vez más rápidas pronto surgió la idea de implementar los algoritmos criptográficos en hardware. El trabajo presentado a continuación proviene de la idea de implementar en hardware el más popular de los algoritmos criptográficos de clave pública, el algoritmo RSA.
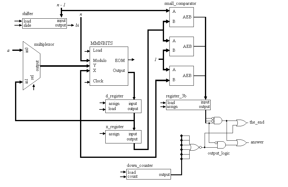
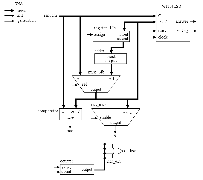
En realidad RSA es demasiado extenso y complejo para ser realizada una implementación hardware de él en un solo trabajo. Por esta razón se dividió el algoritmo en cuatro partes siendo una de ellas la generación de números primos, parte fundamental en RSA y tema principal de este trabajo. Haremos una breve introducción a lo que es la criptografía y nos daremos cuenta de por qué son importantes los números primos para RSA y la manera cómo se deben hallar estos números primos. A diferencia de lo que uno piensa, encontrar números primos es una tarea complicada cuando los números son grandes. La búsqueda de números primos grandes se basa en las pruebas probabilísticas de primalidad, pruebas que no son más que algoritmos que nos dan información acerca de la probabilidad que tiene un número de ser primo, siendo la mejor de ellas la prueba de Miller – Rabin y de la que se hará una implementación hardware en este trabajo.
Referências
MENEZES, Alfred J.; VAN OORSCHOT, Paul C.; y VANSTONE, Scott A. (1996) Handbook of Applied Cryptography. CRC Press.
CORMEN, T.; LEISERSON, C.; y RIVEST, R. (1990) Introduction to Algorithms. Cambridge, MA; MIT Press.
PALACIOS, Rubén Darío. (2001) Diseño e implementación en FPGAs de un multiplicador modular de 32 bits. Trabajo de grado en Ingeniería Electrónica. Universidad del Valle.
NELSON, Victor P.; NAGLE, H. Troy; CARROL, Hill D.; IRWIN, J. David. (1996) Análisis y Diseño de Circuitos Lógicos Digitales. Prentice-Hall.
WAKERLY, John F. (1992) Diseño Digital Principios y Prácticas. Prentice-Hall.
Página web de RSA. www.rsa.com.
